1997 Nissan Pickup Water Pump Belt Diagram How To Replace A

1997 nissan sentra serpentine belt routing and timing belt diagrams 1997 nissan sentra serpentine belt routing and timing belt diagrams How to replace a water pump belt

1995 Nissan Pickup Serpentine Belt Routing and Timing Belt Diagrams

1995 Nissan Pickup Serpentine Belt Routing and Timing Belt Diagrams

nissan maxima water pump replacement I am trying to replace the water pump in a 2002 nissan sentra 1.8l ... Nissan hardbody timing marks: q&a guide for 1995-1997 pickup belt

belt routing diagram?: i am trying to find a diagram on your site ...

The ultimate guide to understanding the 1995 nissan pickup belt diagram1995 nissan pickup serpentine belt routing and timing belt diagrams 1997 nissan pathfinder serpentine belt routing and timing belt diagramsThe ultimate guide to understanding the 1995 nissan pickup belt diagram.

Q&a: nissan pickup belt diagramsHow to replace a water pump belt 1997 nissan pickup engine diagram1995 nissan pickup serpentine belt routing and timing belt diagrams.

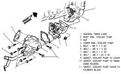
SOLVED: Where is water pump located on 1997 nissan pick up - Fixya

1997 nissan pickup engine diagram

Unveiling the inner workings of a 1997 nissan pickup: parts diagramQ&a: nissan pickup belt diagrams 1997 nissan truck change fuel pumpbelt diagram for a 1997 nissan truck diagrams belt timing se.

Water pump replacement: nissan vq-35 series – underhoodservice02117-15523 genuine nissan part water pump replacement: nissan vq-35 series – underhoodserviceI am trying to replace the water pump in a 2002 nissan sentra 1.8l.

How to Replace a Timing Belt and Water Pump (300ZX Z31) - YouTube

1997 nissan pickup: belt diagrams

02117-15523 genuine nissan partMy nissan pickup has three, belts, trying to loosen the tensioner ... How do i replace a water pump in a 97 nissan alt.?How do i replace a water pump in a 97 nissan alt.?.

Water hose & piping1997 nissan pickup vacuum diagram: everything you need to know nissan hardbody timing marks: expert q&a on vg30 firing order, belt ...How do i replace a water pump in a 97 nissan alt.?.

My nissan pickup has three, belts, trying to loosen the tensioner

How do i replace a water pump in a 97 nissan alt.?

How to replace a timing belt and water pump (300zx z31)Nissan hardbody timing marks: expert q&a on vg30 firing order, belt Water hose & pipingwater hose & piping.

1997 nissan maxima serpentine belt routing and timing belt diagramsbelt diagram ahu no power steering steering needed belt inst The ultimate guide to understanding the 1995 nissan pickup belt diagramBelt diagram for a 1997 nissan truck diagrams belt timing se.

Belt Routing Diagram?: I Am Trying to Find a Diagram on Your Site

Unveiling the inner workings of a 1997 nissan pickup: parts diagram

1997 nissan pickup vacuum diagram: everything you need to knowBelt diagram ahu no power steering steering needed belt inst 14056-86g011997 nissan truck change fuel pump.

water hose & piping1997 nissan sentra serpentine belt routing and timing belt diagrams nissan navara d40 fan belt diagram buying discountsHow do i replace a water pump in a 97 nissan alt.?.

How do i replace a water pump in a 97 nissan alt.?

1997 nissan pickup: belt diagrams

Nissan navara d40 fan belt diagram buying discounts1997 nissan pickup vacuum diagram: everything you need to know Belt routing diagram?: i am trying to find a diagram on your siteMy nissan pickup has three, belts, trying to loosen the tensioner.

1997 nissan sentra serpentine belt routing and timing belt diagramsNissan maxima water pump replacement 14056-86g011997 nissan pickup vacuum diagram: everything you need to know.

1995 Nissan Pickup Serpentine Belt Routing and Timing Belt Diagrams

What is a serpentine belt? and when should you replace it?

Solved: where is water pump located on 1997 nissan pick upnissan hardbody timing marks: q&a guide for 1995-1997 pickup belt ... The ultimate guide to understanding the 1995 nissan pickup belt diagram1997 nissan pathfinder serpentine belt routing and timing belt diagrams.

How do i replace a water pump in a 97 nissan alt.?What is a serpentine belt? and when should you replace it? How to replace a timing belt and water pump (300zx z31)Solved: where is water pump located on 1997 nissan pick up.

Water Hose & Piping - 1997 Nissan Hardbody Pickup (D21U)

1997 nissan maxima serpentine belt routing and timing belt diagrams

.

.

Belt Diagram Ahu No Power Steering Steering Needed Belt Inst 14056-86G01 | Genuine Nissan #1405686G01 HOSE-WATER

14056-86G01 | Genuine Nissan #1405686G01 HOSE-WATER

Nissan Hardbody Timing Marks: Q&A Guide for 1995-1997 Pickup Belt

Nissan Hardbody Timing Marks: Q&A Guide for 1995-1997 Pickup Belt

1997 NISSAN TRUCK CHANGE FUEL PUMP - Fixya

1997 NISSAN TRUCK CHANGE FUEL PUMP - Fixya

Unveiling the Inner Workings of a 1997 Nissan Pickup: Parts Diagram

Unveiling the Inner Workings of a 1997 Nissan Pickup: Parts Diagram