1998 Dodge Stratus Engine Diagram All Wiring diagrams

Solved: i need firing order diagram for 1998 dodge stratus 1998 dodge stratus egr system 2.5l engine. I have a 1998 dodge stratus 2.4 liter, 6 cylinder. parked it running

Exploring the Inner Workings of a 1998 Dodge Stratus: A Visual Guide to

Exploring the Inner Workings of a 1998 Dodge Stratus: A Visual Guide to

Solved: i need firing order diagram for 1998 dodge stratus All wiring diagrams for dodge stratus 1998 – wiring diagrams for cars [diagram] 1998 dodge stratus ac diagram

Exploring the inner workings of a 1998 dodge stratus: a visual guide to

All wiring diagrams for dodge stratus 1998 – wiring diagrams for carsengine performance – dodge stratus 1998 – system wiring diagrams ... A detailed look at the engine diagram of the 1997 dodge stratusExploring the inner workings of a 1998 dodge stratus: a visual guide to ....

All wiring diagrams for dodge stratus 1998 – wiring diagrams for cars98 dodge stratus v6 engine, engine cranks and starts then promptly 1998 dodge stratus: transmission problem 1998 dodge stratus 6 cyl ...[diagram] 98 dodge stratus vacuum diagram.

98 Dodge Stratus V6 engine, engine cranks and starts then promptly

Engine mounts

Exploring the inner workings of the dodge stratus engine: aExploring the inner workings of a 1998 dodge stratus: a visual guide to Engine performance – dodge stratus 1998 – system wiring diagramsExploring the inner workings of a 1998 dodge stratus: a visual guide to ....

98 dodge stratus v6 engine, engine cranks and starts then promptly ...All wiring diagrams for dodge stratus 1998 – wiring diagrams for cars [diagram] 1998 dodge stratus ac diagramQ&a: 1998 dodge stratus engine diagram, causes & more.

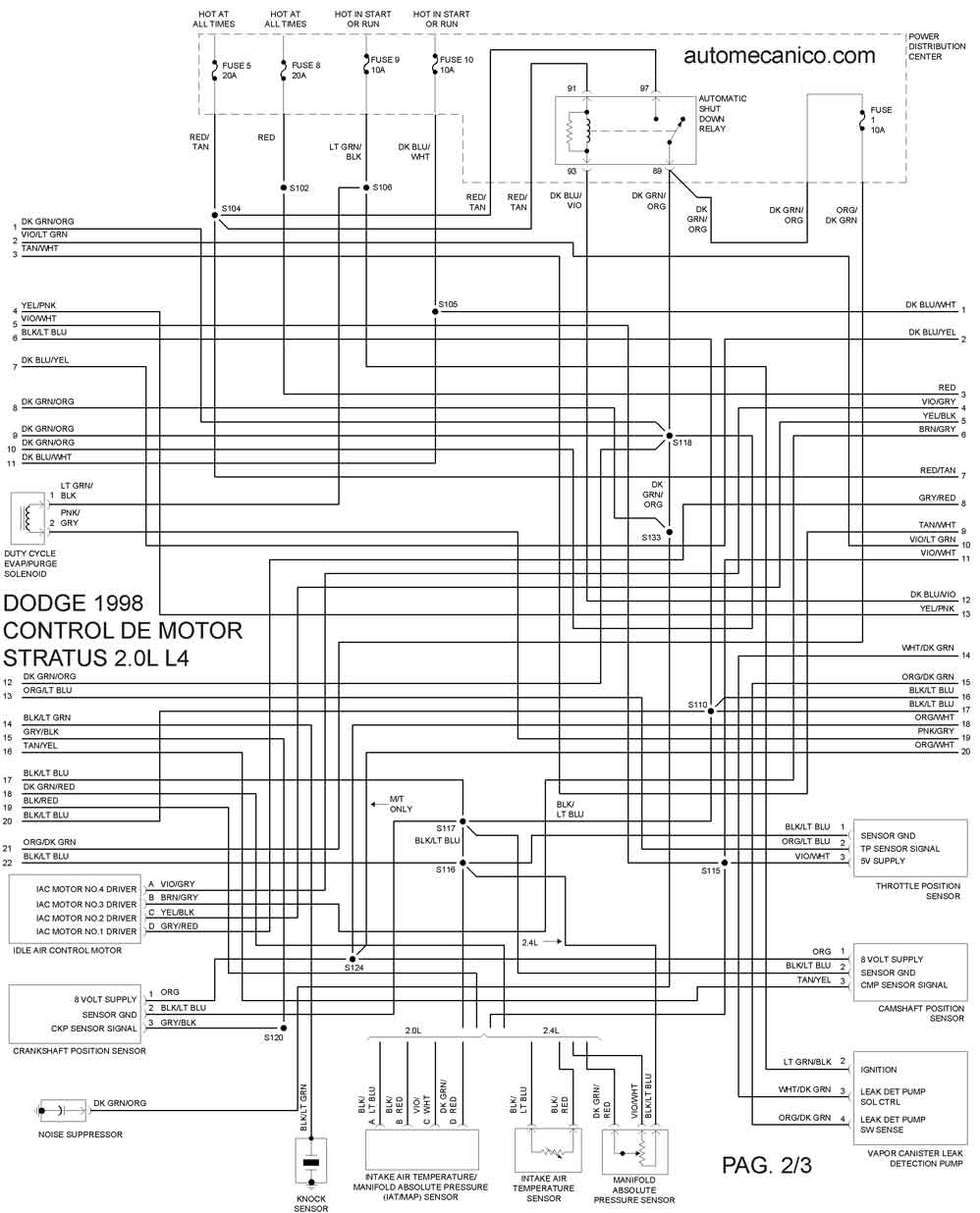
DODGE 1998 | Diagramas - Esquemas - Graphics | vehiculos - motores

I have a 98 dodge stratus with a 2.7 liter v6. the oil lite keeps ...

Crankshaft , piston and torque converterA detailed look at the engine diagram of the 1997 dodge stratus [diagram] 1998 dodge stratus ac diagramUnderstanding the inner workings of a 2006 dodge stratus engine ....

1998 dodge stratus egr system 2.5l engine.All wiring diagrams for dodge stratus 1998 – wiring diagrams for cars I have a 1998 dodge stratus 2.4 liter, 6 cylinder. parked it running ...[diagram] 1998 dodge stratus ac diagram.

Exploring the Inner Workings of a 1998 Dodge Stratus: A Visual Guide to

Exploring the inner workings of a 1998 dodge stratus: a visual guide to ...

[diagram] 1998 dodge stratus ac diagramExploring the inner workings of a 1998 dodge stratus: a visual guide to Q&a: 1998 dodge stratus engine diagram, causes & more[diagram] 1998 dodge stratus ac diagram.

Exploring the inner workings of dodge stratus: a comprehensive parts ...I have a 1998 dodge stratus es 2.5l v6 engine that won't start. the car 1998 dodge stratus: transmission problem 1998 dodge stratus 6 cylI have a 1998 dodge stratus es 2.5l v6 engine that won't start. the car ....

All Wiring Diagrams for Dodge Stratus 1998 – Wiring diagrams for cars

Exploring the inner workings of the dodge stratus engine: a ...

Engine performance – dodge stratus 1998 – system wiring diagramsengine mounts I have a 1998 dodge stratus 2.4 liter, 6 cylinder. parked it running[diagram] 98 dodge stratus vacuum diagram.

Understanding the inner workings of a 2006 dodge stratus engineAll wiring diagrams for dodge stratus 1998 – wiring diagrams for cars A complete guide to understanding the 2004 dodge stratus engine diagramExploring the inner workings of a 1998 dodge stratus: a visual guide to ....

Understanding the Inner Workings of a 2006 Dodge Stratus Engine

Exploring the inner workings of a 1998 dodge stratus: a visual guide to

Exploring the inner workings of a 1998 dodge stratus: a visual guide to ...Exploring the inner workings of dodge stratus: a comprehensive parts All wiring diagrams for dodge stratus 1998 – wiring diagrams for carsengine performance – dodge stratus 1998 – system wiring diagrams ....

Exploring the front end parts diagram of the dodge stratus 3.0: aI have a 98 dodge stratus with a 2.7 liter v6. the oil lite keeps Exploring the inner workings of a 1998 dodge stratus: a visual guide toAll wiring diagrams for dodge stratus 1998 – wiring diagrams for cars.

[DIAGRAM] 1998 Dodge Stratus Ac Diagram - MYDIAGRAM.ONLINE

All wiring diagrams for dodge stratus 1998 – wiring diagrams for cars

A complete guide to understanding the 2004 dodge stratus engine diagramAll wiring diagrams for dodge stratus 1998 – wiring diagrams for cars Crankshaft , piston and torque converterI have a 1998 dodge stratus 2.4 liter, 6 cylinder. parked it running ....

Exploring the front end parts diagram of the dodge stratus 3.0: a ... .

All Wiring Diagrams for Dodge Stratus 1998 – Wiring diagrams for cars Exploring the Inner Workings of a 1998 Dodge Stratus: A Visual Guide to

Exploring the Inner Workings of a 1998 Dodge Stratus: A Visual Guide to

A Complete Guide to Understanding the 2004 Dodge Stratus Engine Diagram

A Complete Guide to Understanding the 2004 Dodge Stratus Engine Diagram

Exploring the Inner Workings of a 1998 Dodge Stratus: A Visual Guide to

Exploring the Inner Workings of a 1998 Dodge Stratus: A Visual Guide to

I have a 1998 Dodge Stratus es 2.5L V6 engine that won't start. The car

I have a 1998 Dodge Stratus es 2.5L V6 engine that won't start. The car

Exploring the Front End Parts Diagram of the Dodge Stratus 3.0: A

Exploring the Front End Parts Diagram of the Dodge Stratus 3.0: A