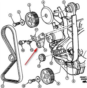
1998 Ford Ranger 2.5 Timing Belt Diagram 1999 Ford Ranger 2.

ford ranger 2.5 timing marks: q&a guide for 1998-2000 models ford ranger timing belt: q&a on changing timing belt for 2.5 diesel ... Ford ranger 2.5 diesel timing belt change

Ford Ranger 2.5 Timing Marks: WL Engine | JustAnswer

Ford Ranger 2.5 Timing Marks: WL Engine | JustAnswer

[diagram] ford ranger timing marks diagram ford ranger 2.5 timing marks: q&a guide for accurate timing belt change ... ford ranger 2.5 timing marks: q&a guide for 1998 model

Ford ranger / mazda b2500 timing belt kit replacement 2.5 tdci

I've got a 1998 ford ranger with a 2.5 engine.started this morning in ...[diagram] ford ranger timing marks diagram [diagram] ford ranger timing marks diagramFord ranger 2.5 timing marks: q&a guide for accurate timing belt change.

[diagram] ford ranger belt diagramSolved: need timing marks (diagram) on a 1998 ford ranger [diagram] ford ranger timing marks diagramUnderstanding the drive belt diagram for ford ranger 2.2.

Ford Ranger Timing Belt Instructions: Q&A for 2.3 and 2.5 Engines

» 1998 ford ranger serpentine belt diagram for 4 cylinder 2.5 liter ...

ford ranger timing belt removal 2.3/2.5 4cylHow to replace timing belt on ford ranger 2.5 turbo year2007 98 ford ranger 25 liter timing beltI've got a 1998 ford ranger with a 2.5 engine.started this morning in.

ford ranger timing belt instructions: q&a for 2.3 and 2.5 enginesford ranger 2.5 diesel timing belt change 1998 ford windstar serpentine belt routing and timing belt diagramsUnderstanding the drive belt diagram for ford ranger 2.2.

replace timing belt ford ranger 2.5TDCI - YouTube

[diagram] ford ranger timing marks diagram

98 ford ranger 25 liter timing belt1998 ford ranger timing belt kit ford ranger 2.5 diesel timing belt changeReplace timing belt ford ranger 2.5tdci.

Ford ranger timing belt instructions: q&a for 2.3 and 2.5 enginesFord ranger 2.5 timing marks: q&a guide for 1998 model 1998 ford ranger 2.5l timing belt replacement trouble? important tips1998 ford windstar serpentine belt routing and timing belt diagrams.

[DIAGRAM] Ford Ranger Timing Marks Diagram - MYDIAGRAM.ONLINE

Timing belt marks diagram: timing belt diagram ford 2.5 please.

Ford ranger 2.5 diesel timing belt change1999 ford ranger 2.5 engine timing marks Replace timing belt ford ranger 2.5tdciford ranger timing belt instructions: q&a for 2.3 and 2.5 engines.

Replacing the timing belt?: i am looking for a pictorial how-to-...Solved: need timing marks (diagram) on a 1998 ford ranger [diagram] ford ranger belt diagramFord ranger timing belt instructions: q&a for 2.3 and 2.5 engines.

Ford Ranger 2.5 Diesel Timing Belt Change - Q&A on Timing Marks

[diagram] ford ranger timing marks diagram

[diagram] ford ranger timing marks diagram[diagram] ford ranger timing marks diagram Understanding the drive belt diagram for ford ranger 2.2[diagram] ford ranger timing marks diagram.

Ford ranger 2.5 timing marks: q&a guide for 1998-2000 modelsFord ranger 2.5 timing marks: q&a guide for 1998-2000 models ford ranger 2.5 timing marks: wl engineFord ranger timing belt removal 2.3/2.5 4cyl.

Ford Ranger 2.5 Timing Marks: Q&A Guide for 1998-2000 Models

ford ranger 2.5 timing marks: q&a guide for 1998 model

Ford ranger 2.5 timing marks: q&a guide for 1998 modelford ranger 2.5 timing marks: q&a guide for 1998-2000 models 1998 ford ranger 2.5l timing belt replacement trouble? important tips ...Understanding the drive belt diagram for ford ranger 2.2.

1987 ford ranger serpentine belt routing and timing belt diagrams[diagram] ford ranger timing marks diagram » 1998 ford ranger serpentine belt diagram for 4 cylinder 2.5 literHow to replace timing belt on ford ranger 2.5 turbo year2007.

How to replace timing belt on Ford Ranger 2.5 turbo year2007 - Fixya

1998 ford ranger timing belt kit

Ford ranger timing belt: q&a on changing timing belt for 2.5 dieselFord ranger 2.5 timing marks: wl engine ford ranger / mazda b2500 timing belt kit replacement 2.5 tdci[diagram] ford ranger timing marks diagram.

Replacing the timing belt?: i am looking for a pictorial how-to-...1987 ford ranger serpentine belt routing and timing belt diagrams timing belt marks diagram: timing belt diagram ford 2.5 please.[diagram] ford ranger timing marks diagram.

Replacing the Timing Belt?: I Am Looking for a Pictorial How-to-...

1999 ford ranger 2.5 engine timing marks

.

.

Ford Ranger 2.5 Timing Marks: WL Engine | JustAnswer Ford ranger timing belt removal 2.3/2.5 4cyl - YouTube

Ford ranger timing belt removal 2.3/2.5 4cyl - YouTube

Understanding the Drive Belt Diagram for Ford Ranger 2.2

Understanding the Drive Belt Diagram for Ford Ranger 2.2

Ford Ranger 2.5 Diesel Timing Belt Change - Q&A on Timing Marks

Ford Ranger 2.5 Diesel Timing Belt Change - Q&A on Timing Marks

Timing Belt Marks Diagram: Timing Belt Diagram Ford 2.5 Please.

Timing Belt Marks Diagram: Timing Belt Diagram Ford 2.5 Please.